
G型單螺桿泵產品概述:
上海意嘉泵業制造有限公司生產的ejiamp牌G型單螺桿泵是按迥轉嚙合容積式原理工作的新型泵種,主要工作部件是偏心螺桿(轉子)和固定的襯套(定子)。由于該二部件的特殊幾何形狀,分別形成單獨的密封容腔,介質由軸向均勻推行流動,內部流速低,噪聲低,容積保持不變,壓力穩定,因而不會產生渦流和攪動,介質不會被破壞固有結構。因定子選用多種彈性材料制成,所以意嘉泵業螺桿泵對高粘度流體的輸送和含有硬質懸浮顆粒介質或含有纖維介質的輸送,有一般泵種所不能勝任的特點。其流量與轉速成正比。目前我單位的產品已自成一體系,零件少,結構緊湊,體積小,維修簡便,轉子和定子是本泵的易損件,結構簡單,便于裝拆。揚程為60-120m,可滿足廣大用戶對單螺桿泵的不同需求。
G型單螺桿泵產品優點:
·連續低脈動輸送,不受壓力與粘度波動影響。
·應用范圍廣,可輸送流動甚至非流動性物料。
·介質在泵送過程中不會被攪動,不受擠壓和剪切。
·效率高,輸送量與轉速成正比,可變頻調節輸送量。
·大部分的液體都可以在最小的攪動和脈動下進行泵送。
·易維護檢修,擁有高壓輸送能力。
螺桿泵與其他泵類的優勢比較:
1、與離心泵相比螺桿泵無需安裝閥門,流量是穩定的線性流動;
2、與柱塞泵相比螺桿泵具有自吸能力強、吸入高度強;
3、與隔膜泵相比螺桿泵可輸送各種混合雜質含有氣體及固體顆粒或纖維的介質,也可輸送各種腐蝕性物質;
4、與齒輪油泵相比,螺桿泵可輸送高粘度的物質;
5、與柱塞泵,隔膜泵及齒輪泵不同的是,螺桿泵可用于藥劑填充和計量。
G型單螺桿泵適用范圍:
·石油行業:稠油輸送、油氣混輸、油水分離和廢油回收系統等。
·化工及制藥:各類膏狀物、乳狀液、懸浮液等。
·環境工程:各種污水輸送、脫水污泥輸送、絮凝劑及其化學制劑的計量投加等。
·礦產工程:鈦白粉、高嶺土、碳酸鈣等的生產設備等。
·食品工業:乳制品、果汁、果泥、菜醬、啤酒等。
·造紙行業:原料設備、造漿及廢水處理等。
本數據僅供參考。
固定轉速時的性能參數:
型號 | 流量 (m3/h) | 壓力 (Mpa) | 允許最 高轉數 (r/min) | 電機 功率 (kw) | 必需汽 蝕余量 (m) | 進口法 蘭通徑 (mm) | 出口法 蘭通徑 (mm) | 允許顆 粒直徑 (mm) | 允許纖 維長度 (mm) |
G20-1 | 0.8 | 0.6 | 960 | 0.75 | 4 | 25 | 25 | 1.5 | 25 |
G20-2 | 1.2 | 1.5 | |||||||
G25-1 | 2 | 0.6 | 960 | 1.5 | 32 | 25 | 2 | 30 | |
G25-2 | 1.2 | 2.2 | |||||||
G30-1 | 5 | 0.6 | 960 | 2.2 | 50 | 40 | 2.5 | 35 | |
G30-2 | 1.2 | 3 | |||||||
G35-1 | 8 | 0.6 | 960 | 3 | 65 | 50 | 3 | 40 | |
G35-2 | 1.2 | 4 | |||||||
G40-1 | 12 | 0.6 | 960 | 4 | 80 | 65 | 3.8 | 45 | |
G40-2 | 1.2 | 5.5 | |||||||
G50-1 | 14 | 0.6 | 720 | 5.5 | 4.5 | 100 | 80 | 5 | 50 |
G50-2 | 1.2 | 7.5 | |||||||
G60-1 | 22 | 0.6 | 720 | 11 | 5 | 125 | 100 | 6 | 60 |
G60-2 | 1.2 | 15 | |||||||
G70-1 | 38 | 0.6 | 720 | 11 | 150 | 125 | 8 | 70 | |
G70-2 | 1.2 | 18.5 | |||||||
G85-1 | 56 | 0.6 | 630 | 15 | 150 | 150 | 10 | 80 | |
G85-2 | 1.2 | 30 | |||||||
G105-1 | 100 | 0.6 | 500 | 30 | 200 | 200 | 15 | 110 | |
G105-2 | 1.2 | 55 | |||||||
G135-1 | 150 | 0.6 | 400 | 45 | 250 | 250 | 20 | 150 | |
G135-2 | 1.2 | 90 |
單級,由齒輪變速、電磁調速電機加齒輪變速或無級變速電機加齒輪變速時的性能參數:
型號 | 壓力0.3Mpa | 壓力0.6Mpa | 可調轉數 | ||||||
轉數 (r/min) | 流量 (m3/h) | 電動機 功率 (kw) | 轉數 (r/min) | 流量 (m3/h) | 電動機 功率 (kw) | 轉數 (r/min) | 流量 (m3/h) | 電動機 功率 (kw) | |
G20-1 | 960 | 0.96 | 0.75-6級 | 960 | 0.8 | 0.75-6級 | 125~1250 | 0.1~1.5 | 1.1 |
720 | 0.8 | 0.55-8級 | 720 | 0.5 | 0.75-8級 | ||||
510 | 0.4 | 0.55-4級/齒輪箱 | 510 | 0.3 | 0.75-4級/齒輪箱 | ||||
G25-1 | 960 | 2.4 | 0.75-6級 | 960 | 2 | 1.5-6級 | 125~1250 | 0.1~3 | 1.5 |
720 | 1.5 | 0.55-8級 | 720 | 1.27 | 1.1-8級 | ||||
510 | 1.08 | 0.55-4級/齒輪箱 | 510 | 0.9 | 1.1-4級/齒輪箱 | ||||
G30-1 | 960 | 3.6 | 1.5-6級 | 960 | 3 | 2.2-6級 | 125~1250 | 0.2~4 | 2.2 |
720 | 2.28 | 1.1-8級 | 720 | 1.9 | 1.5-8級 | ||||
510 | 1.63 | 1.1-4級/齒輪箱 | 510 | 1.35 | 1.5-4級/齒輪箱 | ||||
G35-1 | 720 | 4.8 | 2.2-8級 | 720 | 4.04 | 3-8級 | 125~890 | 0.3~5 | 3 |
510 | 3.36 | 1.5-4級/齒輪箱 | 510 | 2.8 | 2.2-4級/齒輪箱 | ||||
380 | 1.92 | 1.1-4級/齒輪箱 | 380 | 1.60 | 1.5-4級/齒輪箱 | ||||
G40-1 | 510 | 6.8 | 2.2-4級/齒輪箱 | 510 | 5.6 | 3-4級/齒輪箱 | 125~890 | 0.3~10 | 4 |
380 | 5.1 | 1.5-4級/齒輪箱 | 380 | 4 | 2.2-4級/齒輪箱 | ||||
252 | 2.65 | 1.1-6級/齒輪箱 | 252 | 2.2 | 1.5-6級/齒輪箱 | ||||
G50-1 | 510 | 13.8 | 4-4級/齒輪箱 | 510 | 11.5 | 5.5-4級/齒輪箱 | 80~750 | 1~18 | 5.5 |
380 | 10.2 | 4-4級/齒輪箱 | 380 | 7.5 | 5.5-4級/齒輪箱 | ||||
252 | 5.6 | 3-6級/齒輪箱 | 252 | 4.4 | 5.5-6級/齒輪箱 | ||||
G60-1 | 510 | 20.8 | 7.5-4級/齒輪箱 | 510 | 16 | 11-4級/齒輪箱 | 63~630 | 1~20 | 11 |
380 | 15.6 | 7.5-4級/齒輪箱 | 380 | 12 | 11-4級/齒輪箱 | ||||
252 | 7.8 | 5.5-6級/齒輪箱 | 252 | 6 | 7.5-6級/齒輪箱 | ||||
G70-1 | 510 | 26 | 11-4級/齒輪箱 | 510 | 20 | 11-4級/齒輪箱 | 56~560 | 1~22 | 11 |
380 | 17 | 7.5-4級/齒輪箱 | 380 | 13 | 11-4級/齒輪箱 | ||||
252 | 9.1 | 7.5-6級/齒輪箱 | 252 | 7 | 7.5-6級/齒輪箱 | ||||
G85-1 | 380 | 32 | 11-4級/齒輪箱 | 380 | 25 | 15-4級/齒輪箱 | 37~370 | 2~24 | 15 |
252 | 21 | 7.5-6級/齒輪箱 | 252 | 16 | 11-6級/齒輪箱 | ||||
189 | 11 | 5.5-8級/齒輪箱 | 189 | 8 | 11-8級/齒輪箱 | ||||
G105-1 | 380 | 80 | 15-4級/齒輪箱 | 380 | 65 | 22-4級/齒輪箱 | 29~290 | 3~50 | 22 |
252 | 44 | 15-6級/齒輪箱 | 252 | 34 | 22-6級/齒輪箱 | ||||
189 | 29 | 11-8級/齒輪箱 | 189 | 22 | 15-8級/齒輪箱 | ||||
G135-1 | 380 | 132 | 37-4級/齒輪箱 | 380 | 120 | 45-4級/齒輪箱 | 18~180 | 3~56 | 45 |
252 | 95 | 30-6級/齒輪箱 | 252 | 80 | 37-6級/齒輪箱 | ||||
189 | 65 | 18.5-6級/齒輪箱 | 189 | 53 | 30-8級/齒輪箱 |
雙級,由齒輪變速、電磁調速電機加齒輪變速或無級變速電機加齒輪變速時的性能參數:
型號 | 壓力0.8Mpa | 壓力1.2Mpa | 可調轉數 | ||||||
轉數 (r/min) | 流量 (m3/h) | 電動機 功率 (kw) | 轉數 (r/min) | 流量 (m3/h) | 電動機 功率 (kw) | 轉數 (r/min) | 流量 (m3/h) | 電動機 功率 (kw) | |
G20-2 | 960 | 0.96 | 1.5-6級 | 960 | 0.8 | 1.5-6級 | 125~1250 | 0.1~1.5 | 1.5 |
720 | 0.8 | 1.1-8級 | 720 | 0.5 | 1.5-8級 | ||||
510 | 0.4 | 1.1-4級/齒輪箱 | 510 | 0.3 | 1.1-4級/齒輪箱 | ||||
G25-2 | 960 | 2.4 | 1.5-6級 | 960 | 2 | 2.2-6級 | 125~1250 | 0.1~3 | 2.2 |
720 | 1.5 | 1.1-8級 | 720 | 1.27 | 1.5-8級 | ||||
510 | 1.08 | 1.1-4級/齒輪箱 | 510 | 0.9 | 1.5-4級/齒輪箱 | ||||
G30-2 | 960 | 3.6 | 3-6級 | 960 | 3 | 3-6級 | 125~1250 | 0.2~4 | 3 |
720 | 2.28 | 1.5-8級 | 720 | 1.9 | 2.2-8級 | ||||
510 | 1.63 | 1.5-4級/齒輪箱 | 510 | 1.35 | 2.2-4級/齒輪箱 | ||||
G35-2 | 720 | 4.8 | 3-8級 | 720 | 4.04 | 4-8級 | 125~890 | 0.3~5 | 4 |
510 | 3.36 | 2.2-4級/齒輪箱 | 510 | 2.8 | 3-4級/齒輪箱 | ||||
380 | 1.92 | 1.5-4級/齒輪箱 | 380 | 1.60 | 2.2-4級/齒輪箱 | ||||
G40-2 | 510 | 6.8 | 4-4級/齒輪箱 | 510 | 5.6 | 5.5-4級/齒輪箱 | 125~890 | 0.3~10 | 5.5 |
380 | 5.1 | 3-4級/齒輪箱 | 380 | 4 | 4-4級/齒輪箱 | ||||
252 | 2.65 | 2.2-6級/齒輪箱 | 252 | 2.2 | 3-6級/齒輪箱 | ||||
G50-2 | 510 | 13.8 | 5.5-4級/齒輪箱 | 510 | 11.5 | 7.5-4級/齒輪箱 | 80~750 | 1~18 | 7.5 |
380 | 10.2 | 4-4級/齒輪箱 | 380 | 7.5 | 5.5-4級/齒輪箱 | ||||
252 | 5.6 | 3-6級/齒輪箱 | 252 | 4.4 | 5.5-6級/齒輪箱 | ||||
G60-2 | 510 | 20.8 | 15-4級/齒輪箱 | 510 | 16 | 15-4級/齒輪箱 | 63~630 | 1~20 | 15 |
380 | 15.6 | 11-4級/齒輪箱 | 380 | 12 | 15-4級/齒輪箱 | ||||
252 | 7.8 | 7.5-6級/齒輪箱 | 252 | 6 | 11-6級/齒輪箱 | ||||
G70-2 | 510 | 26 | 15-4級/齒輪箱 | 510 | 20 | 18.5-4級/齒輪箱 | 56~560 | 1~22 | 18.5 |
380 | 17 | 11-4級/齒輪箱 | 380 | 13 | 15-4級/齒輪箱 | ||||
252 | 9.1 | 11-6級/齒輪箱 | 252 | 7 | 11-6級/齒輪箱 | ||||
G85-2 | 380 | 32 | 18.5-4級/齒輪箱 | 380 | 25 | 22-4級/齒輪箱 | 37~370 | 2~24 | 22 |
252 | 21 | 15-6級/齒輪箱 | 252 | 16 | 18.5-6級/齒輪箱 | ||||
189 | 11 | 15-8級/齒輪箱 | 189 | 8 | 15-8級/齒輪箱 | ||||
G105-2 | 380 | 80 | 30-4級/齒輪箱 | 380 | 65 | 37-4級/齒輪箱 | 29~290 | 3~50 | 37 |
252 | 44 | 30-6級/齒輪箱 | 252 | 34 | 30-6級/齒輪箱 | ||||
189 | 29 | 22-8級/齒輪箱 | 189 | 22 | 22-8級/齒輪箱 | ||||
G135-2 | 380 | 132 | 55-4級/齒輪箱 | 380 | 120 | 75-4級/齒輪箱 | 18~180 | 3~56 | 75 |
252 | 95 | 55-6級/齒輪箱 | 252 | 80 | 75-6級/齒輪箱 | ||||
189 | 65 | 37-8級/齒輪箱 | 189 | 53 | 45-8級/齒輪箱 |
單、雙級水煤漿工作泵的性能參數:
泵 型 | 流量 (m3/h) | 工作壓力(Mpa) | 轉數(r/min) | 齒輪減速配套調速電機(kw) |
G30-2 | ~1 | 1.2 | 30~300 | YCT160/4A-2.2 |
G35-2 | ~2 | 1.2 | 30~300 | YCT160/4A-2.2 |
G40-2 | ~3 | 1.2 | 30~280 | YCT160/4A-3 |
G50-1 | ~4.5 | 0.6 | 28~280 | YCT180/4A-4 |
G50-2 | ~4.5 | 1.2 | 28~280 | YCT200/4A-5.5 |
G60-1 | ~6.5 | 0.6 | 25~250 | YCT200/4A-5.5 |
G60-2 | ~6.5 | 1.2 | 25~250 | YCT200/4B-7.5 |
G70-1 | ~8 | 0.6 | 25~250 | YCT200/4B-7.5 |
G85-1 | ~12.5 | 0.6 | 18~180 | YCT225/4A-11 |
G105-1 | ~20 | 0.6 | 14~140 | YCT225/4B-15 |
G135-1 | ~35 | 0.6 | 10~100 | YCT250/4B-22 |
1、以上性能參數是常溫清水試驗時的試驗數據;
2、對于不同的介質、不同的轉速,性能參數都將變化,其流量值與濃度、粘度成反比,與轉速成正比;
3、用戶必須根據使用要求、輸送介質的狀況、選型原則選擇泵的類型,或者和本公司技術部門協商來決定泵的類型。
4、對于水煤漿泵傳動形式為齒輪調速配套電磁調速電機或機械無級變速電機,流量隨轉速變化無級可調。
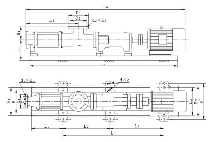
結構圖紙:
安裝尺寸
本數據僅供參考。
型號定義:
注意事項:
1. 開機前必先確定方向,不得反轉:
2. 嚴禁在無介質的情況下空運轉,以免損壞定子;
3. 新安裝或停機數天后的泵,不能立即啟動,應先向泵體內注入適量機油或肥皂水,再用管子鉗扳動幾轉后才可啟動;
4. 輸送高粘度或含顆粒及腐蝕性的介質后,應用水或溶劑進行沖洗,防止阻塞,以免下次啟動困難;
5. 冬季應排除積液,防止凍裂;
6. 使用過程中軸承座內應定期加潤滑油,發現軸端有滲流時,要及時處理或更換油封:
7. 在運行中如發現異常情況,應立即停車檢查原因,排除故障。